​„Ne azt add nekem, amit kívánok, hanem azt amire szükségem van!”  Antoine De Saint-Exupéry
Kategóriák
​„Ne azt add nekem, amit kívánok, hanem azt amire szükségem van!”  Antoine De Saint-Exupéry
  • Kategóriák
    • Termékek márkák szerint 129208
    • Szellőzéstechnika 18998
    • Vízellátás 2643
    • Fűtés és hűtés-technika 12844
    • Automatika, szabályozás 994
    • Biztonságtechnika 3032
    • Építőipari gépek 94823
    • Mezőgazdaság és kertészet 546
    • Munkavédelem 7078
    • Rezsicsökkentés 13
    • Újracsomagolt termékek 57
  • Információk és szakmai cikkek
    • ELÉRHETŐSÉGEK
    • ÁRAJÁNLAT KÉRÉSE
    • ÁLLÁS lehetőség a Fikesz-Plusz Kft-nél
    • Szellőzéstechnika szakmai cikkek
    • Fűtés és hűtés-technika szakmai cikkek
    • Vízellátás szakmai cikkek
    • Építőipari és kertészeti gépek szakmai cikkek
    • Világítástechnika szakmai cikkek
    • Autófelszerelés szakmai cikkek
  • Gyakori kérdések és válaszok (GYIK)
Mikro axiális beszúró betét, külső, balos  6,2/2,5 mm
Mikro axiális beszúró betét, külső, balos 6,2/2,5 mm
Bruttó ár 44 061 Ft/db
(Nettó ár 34 694 Ft/db)
  1. Beszúró szerszámok
  1. Építőipari gépek
  2. Forgácsolás
  3. Esztergáló megmunkálás
  4. Kisalkatrész megmunkálás
  5. Beszúró szerszámok

Mikro axiális beszúró betét, külső, balos 6,2/2,5 mm

Mikro axiális beszúró betét, külső, balos  6,2/2,5 mm
Mikro axiális beszúró betét, külső, balos  6,2/2,5 mm
Mikro axiális beszúró betét, külső, balos  6,2/2,5 mm
Mikro axiális beszúró betét, külső, balos  6,2/2,5 mm
Mikro axiális beszúró betét, külső, balos  6,2/2,5 mm
Mikro axiális beszúró betét, külső, balos  6,2/2,5 mm
Mikro axiális beszúró betét, külső, balos  6,2/2,5 mm
Mikro axiális beszúró betét, külső, balos  6,2/2,5 mm
Bruttó ár 44 061 Ft/db
(Nettó ár 34 694 Ft/db)
Várható kiszállítási idő :
5-15 munkanap
Márka:
GARANT
Kedvezmény rendszer :
A termékhez pontkedvezmény nem vehető igénybe
Gyártói Cikkszám:
270355 6,2/2,5
Mennyiségi kedvezmény:
10  db
3
42 740 Ft/db
20  db
5
41 858 Ft/db
Méret Méret:
6,2/1mm
6,2/1,5mm
6,2/2mm
6,2/2,5mm
6,2/3mm
Típus Típus:
balos
A vásárlás után járó pontok
[csak regisztrált vásárlóknak]

Pontok:
2 203 Ft

A kép csak illusztráció!


„Ne azt add nekem, amit kívánok, hanem azt amire szükségem van!” Antoine De Saint-Exupéry
Csomagajánlatok
Részletek

Felhasználás:

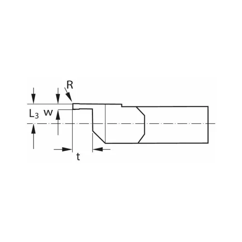
270200 − 270204 sz. lapkatartó betéthez.

Paraméterek:
SorozatMicro
Legkisebb ⌀ Dmin6,2 mm
Kinyúlási hossz L115 mm
Szár ⌀ d6 mm
Hegy-közép távolság L32,95 mm
Max. fogásmélység tmax5 mm
Rádiusz R0,1 mm
Termék fajtájaForgácsoló betét esztergáláshoz

„Ne azt add nekem, amit kívánok, hanem azt amire szükségem van!” Antoine De Saint-Exupéry

Adatok
Címke:
270355 6, 2/2, 5, Mikro axiális beszúró betét, külső, balos 6, 2/2, 5 mm
Custom label:
Mikro axiális beszúró betét, külső, balos 6,2/2,5 mm
Tömeg:
17 g/db
Kérdés, kérés a termékkel kapcsolatban
Fikesz-Plusz Kft - Elérhetőségek

ELÉRHETŐEK:
HÉTFŐTŐL-CSÜTÖRTÖKIG (08:00-16:00)
PÉNTEK (08:00-12:00)

Amennyiben a rendelése felől szeretne érdeklődni, kérjük a hívása elött készítse elő a rendelésének számát, vagy azonosítóját. Előre is köszönjök!

Ügyfélszolgálat (futó rendelések után érdeklődés, garanciális ügyintézés):
H-CS:8-16, P:8-12: +36202942544
Ügyfélszolgálat: ugyfelszolgalat@fikesz.hu

Műszaki segítség és árajánlatkérés:
Molnár Dávid H-CS:8-16, P:8-12: +36202268441
Árajánlat kérés: arajanlat@fikesz.hu

Rendelések feldolgozása, beszállítói kapcsolattartás:
H-CS:8-16, P:8-12: +36205136142
Rendelésfeldolgozás, logisztika:rendeles@fikesz.hu

Pénzügy, számlázás:
H-CS:8-16, P:8-12: +36202738064
Pénzügy, számlázás:penzugy@fikesz.hu

Ügyvezető:
Balogh Sándor H, Sz, CS:8-16, Kedd: 12-16:+36204115464

Minden egyéb: fikesz@fikesz.hu

Vásárlói fiók
  • Belépés
  • Regisztráció
  • Profilom
  • Kosár
  • Kedvenceim

 

A Fikesz-Plusz Kft a

BNI 7202 Értékteremtők csoport tagja

Információk
  • Általános szerződési feltételek
  • Adatkezelési tájékoztató
  • Fizetés
  • Szállítás
  • Elérhetőségek


Nyitvatartás:

Hétfő: 9-16 óra

Kedd: 9-16 óra

Szerda: 9-16 óra

Csütörtök: 9-16 óra

Péntek: Péntekenként üzletünk zárva tart. Pénteken a telefonos ügyfélszolgálat 12 óráig elérhető.

Szombat, vasárnap: ZÁRVA

Szombatra áthelyezett munkanapokon ZÁRVA tartunk.

  • facebook

  • instagram

  • youtube

Hírlevél feliratkozás
A kényelmes és biztonságos online fizetést a Barion Payment Zrt. biztosítja, MNB engedély száma: H-EN-I-1064/2013. Bankkártya adatai áruházunkhoz nem jutnak el.
viva_com
  • Termékek márkák szerint 129208
  • Szellőzéstechnika 18998
  • Vízellátás 2643
  • Fűtés és hűtés-technika 12844
  • Automatika, szabályozás 994
  • Biztonságtechnika 3032
  • Építőipari gépek 94823
  • Mezőgazdaság és kertészet 546
  • Munkavédelem 7078
  • Rezsicsökkentés 13
  • Újracsomagolt termékek 57
  • Információk és szakmai cikkek
    Információk és szakmai cikkek
    • ELÉRHETŐSÉGEK
    • ÁRAJÁNLAT KÉRÉSE
    • ÁLLÁS lehetőség a Fikesz-Plusz Kft-nél
    • Szellőzéstechnika szakmai cikkek
    • Fűtés és hűtés-technika szakmai cikkek
    • Vízellátás szakmai cikkek
    • Építőipari és kertészeti gépek szakmai cikkek
    • Világítástechnika szakmai cikkek
    • Autófelszerelés szakmai cikkek
  • Gyakori kérdések és válaszok (GYIK)
Pénznem váltás
Belépés
Regisztráció
Adatkezelési beállítások
Weboldalunk az alapvető működéshez szükséges cookie-kat használ. Szélesebb körű funkcionalitáshoz (marketing, statisztika, személyre szabás) egyéb cookie-kat engedélyezhet. Részletesebb információkat az Adatkezelési tájékoztatóban talál.
A működéshez szükséges cookie-k döntő fontosságúak a weboldal alapvető funkciói szempontjából, és a weboldal ezek nélkül nem fog megfelelően működni. Ezek a sütik nem tárolnak személyazonosításra alkalmas adatokat.
A marketing cookie-kat a látogatók weboldal-tevékenységének nyomon követésére használjuk. A cél az, hogy releváns hirdetéseket tegyünk közzé az egyéni felhasználók számára (pl. Google Ads, Facebook Ads), valamint aktivitásra buzdítsuk őket, ez pedig még értékesebbé teszi weboldalunkat.
Az adatok névtelen formában való gyűjtésén és jelentésén keresztül a statisztikai cookie-k segítenek a weboldal tulajdonosának abban, hogy megértse, hogyan lépnek interakcióba a látogatók a weboldallal.
A személyre szabáshoz használt cookie-k segítségével olyan információkat tudunk megjegyezni, amelyek megváltoztatják a weboldal magatartását, illetve kinézetét.